WFH series reducer

WFH series high precision reduction gears with through holes in the shafts, also known as hollow-shaft version.
Cables, tubes with compressed air, drive shafts etc can be led via the through holes in the shaft of the gear.
WFH series is completely sealed and are filled with grease for its lifetime. WFH series high precision reduction gears consist of an accurate reduction mechanism and high-capacity radial and axial cylindrical bearings.
This design of reduction gears allows the mounting of the load directly to the output flange or case without requiring additional bearings.
Advantages of WFH series reducer
- High torque
- High rigidity
- High-precision
- Small volume
- High speed ratio
- Big hollow
Characteristics of WFH series reducer
| WF Series Features | |
|---|---|
| Case | a. threaded holes in case b. threaded and through holes in case |
| Input shaft design | Input shaft offers following versions: a. shaft with key-way b. according to special request |
| Installation and operation characteristics | A wider range of modular configurations |
Ordering specifications of WFH series reducers
| WFH | 17 | 51 | A | B |
|---|---|---|---|---|
| Name | Size | Ratio | Input | Output |
| WFH | 11 | Reference rating table | a. Key input b. Hold on to input |
a. Axis output b. Flange output |
| 17 | ||||
| 25 | ||||
| 32 | ||||
| 40 |
Rating table of WFH series reducer
| Size | Reduction ratio |
Rated Output Torque |
Opening and stopping allowable moment |
Instantaneous admissible moment |
Reted input speed |
Max input speed |
Inclination stiffness |
Torsional stiffness |
No-load startup moment |
Driving Accuracy |
Backlash accuracy |
Inertial moment |
Weight | |
|---|---|---|---|---|---|---|---|---|---|---|---|---|---|---|
| Axis rotation |
Shell Rotation |
Nm | Nm | Nm | rpm | rpm | Nm/arcmin | Nm/arcmin | Nm | arcmin | arcmin | Kg-m2 | Kg | |
| WFH07 | 21 | 20 | 15 | 30 | 45 | 3000 | 6000 | 6 | 1.1 | 0.12 | P1≤±1 P2≤±3 |
P1≤±1 P2≤±3 |
0.52 | 0.42 |
| 41 | 40 | 0.11 | 0.47 | |||||||||||
| WFH17 | 21 | 20 | 50 | 100 | 150 | 3000 | 6000 | 28 | 6 | 0.21 | P1≤±1 P2≤±3 |
P1≤±1 P2≤±3 |
0.88 | 0.85 |
| 41 | 40 | 0.18 | 0.72 | |||||||||||
| 61 | 60 | 0.14 | 0.69 | |||||||||||
| WFH25 | 21 | 20 | 110 | 220 | 330 | 3000 | 5500 | 131 | 24 | 0.47 | P1≤±1 P2≤±3 |
P1≤±1 P2≤±3 |
6.12 | 2 |
| 31 | 30 | 0.41 | 5.67 | |||||||||||
| 41 | 40 | 0.38 | 4.9 | |||||||||||
| 51 | 50 | 0.35 | 4.56 | |||||||||||
| 81 | 80 | 0.31 | 4.25 | |||||||||||
| WFH32 | 25 | 24 | 190 | 380 | 570 | 3000 | 4500 | 240 | 35 | 1.15 | P1≤±1 P2≤±3 |
P1≤±1 P2≤±3 |
11 | 4.2 |
| 31 | 30 | 1.1 | 10.8 | |||||||||||
| 51 | 50 | 0.77 | 9.35 | |||||||||||
| 81 | 80 | 0.74 | 8.32 | |||||||||||
| 101 | 100 | 0.6 | 7.7 | |||||||||||
| WFH40 | 25 | 24 | 320 | 640 | 960 | 3000 | 4000 | 377 | 50 | 1.35 | P1≤±1 P2≤±3 |
P1≤±1 P2≤±3 |
13.2 | 6.6 |
| 31 | 30 | 1.32 | 12.96 | |||||||||||
| 51 | 50 | 0.92 | 11.22 | |||||||||||
| 81 | 80 | 0.81 | 9.84 | |||||||||||
| 121 | 120 | 0.72 | 8.4 | |||||||||||
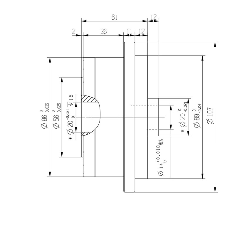
WFH series reducer drawings















General information of reducer
The Fubao high precision reduction gears are based on a new reduction mechanism and a new design of a radial-axial output bearing. As a result,they represent a new generation of power transmission systems. This new transmission concept allows the use of the Fubao reduction gear directly in robot joints, rotary tables, and wheel gears in various transport systems.
Fubao high precision reduction gears are designed for applications requiring a high reduction ratio, high kinematic accuracy, low lost motion, high moment capacity and high stiffness of a compact design with a limited installation zone, and low mass.

Operating principle of RV reducer

The basic parts of FubaoDRIVE high precision reduction gear are show in Fig.
-
Case of reducer
At the same time incorporates the high capacity precision radial, axial output bearing integrated in the reduction gear.
-
Flanges of reducer
Input and out put flanges are fixed together by pin shafts, and rotate at reduced speed in the radial-axial output bearing relative to the case.
-
Input shaft
High-speed member of the reduction mechanism carried by bearing in the flanges. The shaft eccentrics rotationally support the trochoidal gears viabearings.
-
Trochoidal gears
Their almost 50% simultaneously meshing trochoidal teeth transmits a very high torque which ensures powerful and ensure the performance and accuracy of the reduction gear.
Functional advantages of RV reducer
-
Micro-structure
By adopting differential deceleration mechanism and thin cross roller bearing, Achieving ultra-flat shape and contributing to compact size of equipment. Small size and unparalleled excellent parameters are combined to achieve the best ratio of performance, price and size.
-
Exceptional precision
Complex meshing through precision hypocycloid gears and high precision hobbing, achieving higher transmission accuracy. At the same time, small size and large speed ratio are maintained
-
High rigidity
Increase meshing rate and disperse load, so rigidity is very high.
-
High overload capacity
Excellent parameters of tilting and torsional stiffness at the same time with keeping of trouble-free operation under exceptionally low noise and low vibrations. Relyon high resistance and overload capacity of reduction gear with integrated radial-axial bearings that is guaranteed to you by us at various temperature ranges of application environment.
-
Easy installation of motor
It can be installed directly for any brand of motor without adding any device
-
Maintenance free
Seal in grease to achieve maintenance-free. Don't need to add lubricating grease later, no installation direction restriction.
-
Technical support
Our professional team of experts is ready to solve any problems for you. The manufacturing process of high wear resistant materials and high precision parts is certified by lSO9000 quality system, which is also the basic premise for reliable operation of products.
Installation process of RV reducer
Before the installation, it is desirable to wipe off the protective oil film from the surface of the reduction gear by a clean and dry clothContact surfaces of friction joints must be degreased prior to the installation.
When cleaning, make sure that the degrease doesn't get into the reduction gear.
During the installation, proceed with following steps:
First, fasten a coupling to the reduction gear, then the connecting flange, to which mount the motor and then bolt the whole assembly to the frame.
Reduction gear is most often used in combination with a pre-stage, which may comprise gears or toothed belt drives. The driven pulley is attached to the shaft of the reduction gear with screws which have to be tightened with a tightening torque according.
Connection of a toothed pulley with the reduction gear shaft by means of a screw connection.
Connection of a toothed pulley with the reduction gear shaft by means of a friction connection.
Connection of a gear wheel with the reduction gear shaft by means of a screw connection.Application Industry
Suitable for a wide range of applications

Cooperative Robot
Multi-articular machine

Laser Cutting Machine
Machine tool,Grinding mach-ines

PARALLEL MANIPULATOR
Scara robots,spider hand...

INDUSTRIAL ROBOT
Manipulator,axis robot etc

HUMANOID ROBOT
Bionic robot,walking robots

AGV CAE
Warehouse logistics AGV car

MACHINE TOOL
Pipe bending machine...

CNC Carving Machine
Denture carving and printing

EXTERNAL ROBOTS
rehabilitation bobot...
Factories of Fubao Mechanic Tech



English
Deutsch
Русский
Español












Quote Now